Welcome to the official website of Shanghai Sid Electric Co., Ltd.!
您当前的位置:首页 > Product Center > Eaton(Cooper) > 油浸式避雷器 Oil MOV Arrester (AZU Series)
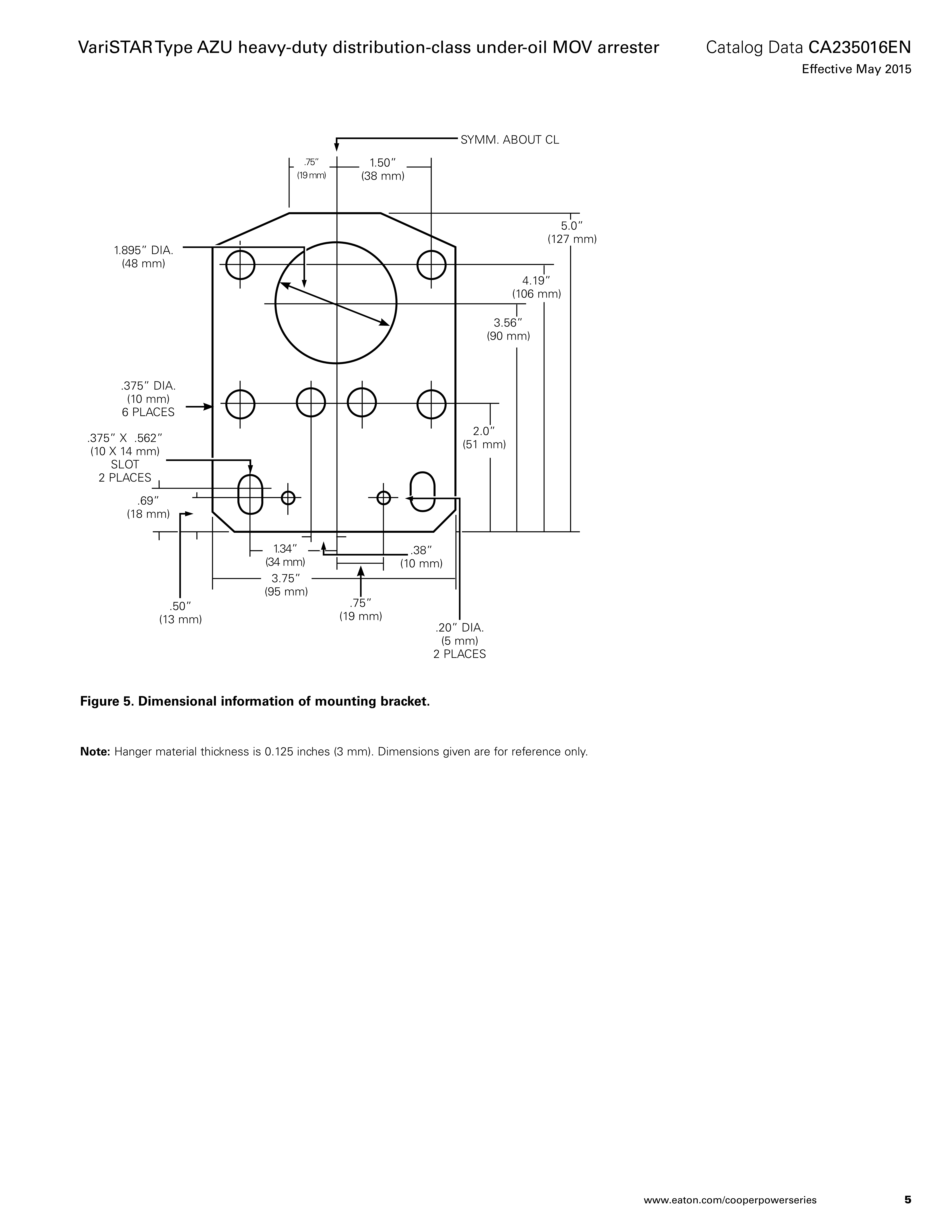
Eaton(Cooper)油浸式避雷器VariSTAR Type Heavy Duty Distribution Class Under-Oil MOV Arrester (AZU Series)
Eaton's Cooper Power™ series VariSTAR™ Type AZU under-oil MOV arrester is designed in accordance with IEEE Std C62.11™-1987 standard heavy-duty distribution class requirements. It is designed for either horizontal or vertical mounting inside the distribution transformer tank to eliminate the difficulties associated with externally mounted arresters.
In recent years, under-oil arresters have gained increased acceptance due to the distinct advantage the under-oil environment offers. When placed under oil the MOV arrester benefits from the cooling effect of the circulating oil. In addition, under-oil mounting of the arrester eliminates the possibility of shortened arrester life due to high surface contamination, wildlife, vandalism or moisture ingress. The under-oil arrester also offers improved transformer protection since internal mounting eliminates the need for long lead lengths to the arrester.
When properly coordinated with a current-limiting fuse, cover retention can be maintained through 50,000 A of available fault current. The AZU under-oil MOV arrester is available in ratings of 3 through 36 kV.





Changes Brought by Integrated Tendering for Distribution Transformer Platforms
On October 10, 2015, the e-commerce platform of the State Grid Corporation of China (SGCC) released ...
UHV power equipment is poised to make major strides in its global expansion.
UHV Equipment Poised for Overseas Deployment: Insights from the Belo Monte Hydropower ProjectIn the ...
Prospect Analysis of China is Power Equipment Industry
Prospect Analysis of China’s Power Equipment Industry Power equipment serves as the foundation for ...
Multiple Nuclear Power Projects to Start Construction This Year
At the annual conference of the China Nuclear Energy Association (CNEA) held on April 22, Zhang Huaz...
