Welcome to the official website of Shanghai Sid Electric Co., Ltd.!
您当前的位置:首页 > Product Center > Eaton(Cooper) > 低压套管 1210A-2410A 1.2 kV Secondary Bushing
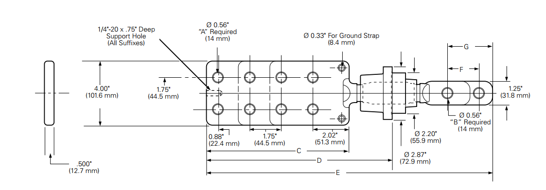
Eaton(Cooper)-低压套管 1210A-2410A 1.2 kV Externally Removable Secondary Bushing
Eaton's Cooper Power™ series 1210-2410 A secondary bushings are designed for external mounting and removal on distribution transformers filled with transformer oil, Envirotemp™ FR3™ fluid, or an approved equivalent. They are designed for use inside cubicles of fluid-filled transformers.
Tin plated spade terminations are dimensioned per IEEE Std C57.12.26™ standard for use with most available connectors and terminals, allowing a wide range of applications. The external spade is available in 6, 8, or 12 hole configurations with a two-hole internal spade.
The secondary bushings are molded with a specially formulated high strength epoxy. The gasket surfaces are tapered to provide controlled compression and containment of the highly resilient Buna-N rubber gasket.




Changes Brought by Integrated Tendering for Distribution Transformer Platforms
On October 10, 2015, the e-commerce platform of the State Grid Corporation of China (SGCC) released ...
UHV power equipment is poised to make major strides in its global expansion.
UHV Equipment Poised for Overseas Deployment: Insights from the Belo Monte Hydropower ProjectIn the ...
Prospect Analysis of China is Power Equipment Industry
Prospect Analysis of China’s Power Equipment Industry Power equipment serves as the foundation for ...
Multiple Nuclear Power Projects to Start Construction This Year
At the annual conference of the China Nuclear Energy Association (CNEA) held on April 22, Zhang Huaz...
