Welcome to the official website of Shanghai Sid Electric Co., Ltd.!
您当前的位置:首页 > Product Center > Eaton(Cooper) > 低压套管 3010A-4515A 1.2 kV Secondary Bushing
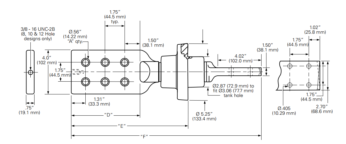
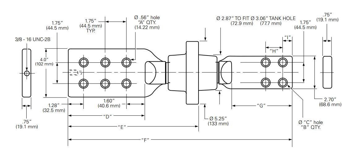
Eaton(Cooper)- 低压套管 3010A-4515A 1.2 kV Externally Removable Secondary Bushing
Eaton’s Cooper Power™ series 3010-4515 A externally removable secondary bushings are used for connecting cables outside of pad-mounted transformer tanks to the secondary coil winding leads inside the tanks. The 3010 A secondary bushings are offered as inline and 90° internal spade versions, 4515 A secondary bushings are offered as inline only. They are designed for use in transformer oil, Envirotemp™ FR3™ fluid, or an approved equivalent. They are externally clamped for sidewall mounting through a 3.06-inch diameter hole. The bushings are designed for use inside cubicles only.
All metallic parts of the bushings are tin plated for more efficient current interchange. The sealing gasket is contained by the molded body for controlled compression, ensuring an effective seal. The bushing clamp is made of an aluminum alloy to provide strength for maintaining even gasket pressure under heavy loads. All bushings are supplied with a threaded support bracket hole on the end of the external spade.




Changes Brought by Integrated Tendering for Distribution Transformer Platforms
On October 10, 2015, the e-commerce platform of the State Grid Corporation of China (SGCC) released ...
UHV power equipment is poised to make major strides in its global expansion.
UHV Equipment Poised for Overseas Deployment: Insights from the Belo Monte Hydropower ProjectIn the ...
Prospect Analysis of China is Power Equipment Industry
Prospect Analysis of China’s Power Equipment Industry Power equipment serves as the foundation for ...
Multiple Nuclear Power Projects to Start Construction This Year
At the annual conference of the China Nuclear Energy Association (CNEA) held on April 22, Zhang Huaz...
