Welcome to the official website of Shanghai Sid Electric Co., Ltd.!
您当前的位置:首页 > Product Center > Eaton(Cooper) > 油浸式避雷器 Oil MOV Arrester (CLU Series)
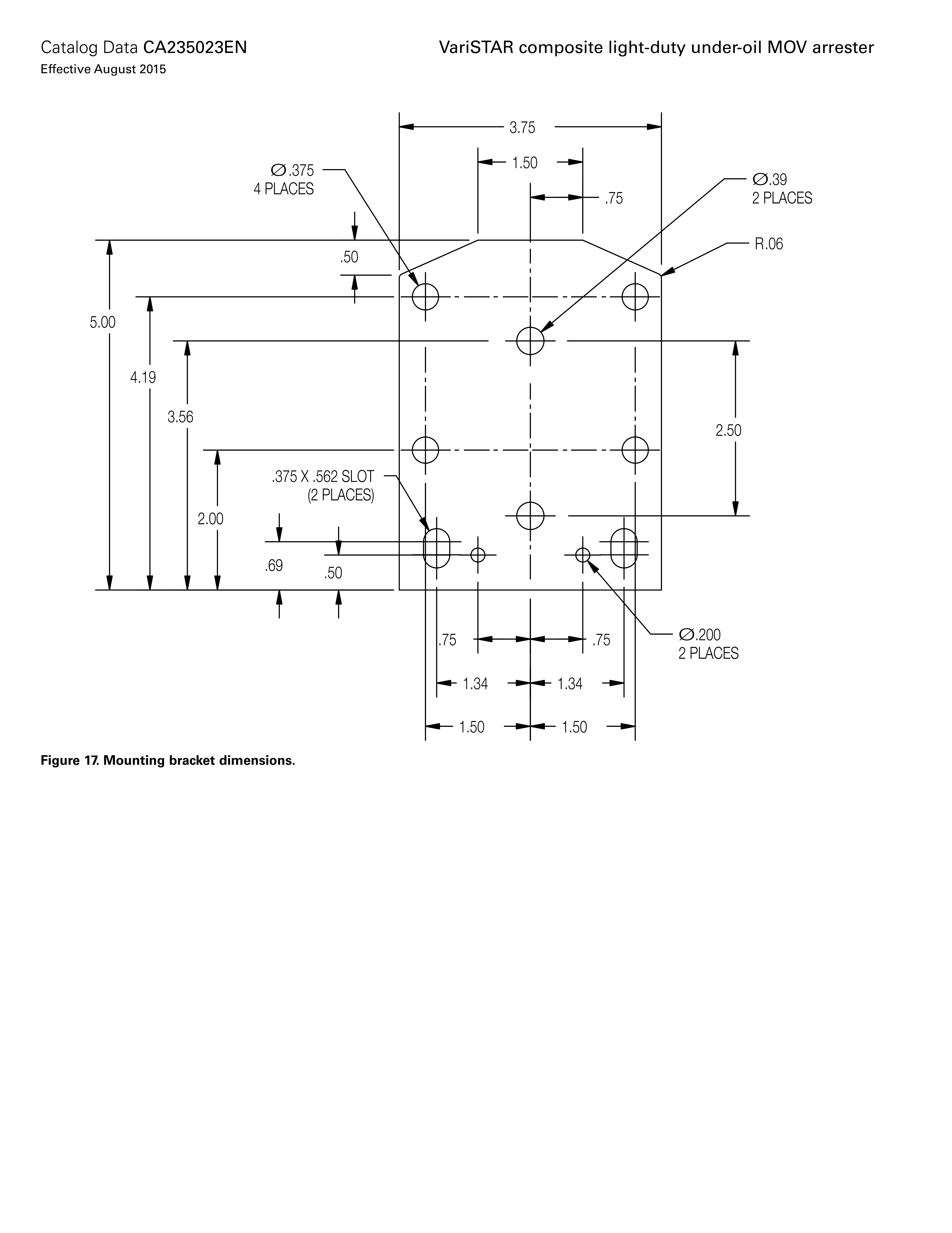
Eaton(Cooper)油浸式避雷器 VariSTAR Type Composite Light-Duty Under-Oil MOV Arrester (CLU Series)
Eaton's Cooper Power™ series VariSTAR® composite light-duty under-oil (CLU) MOV arrester is designed in accordance with IEEE Std C62.11™-1999 standard light-duty distribution-class requirements. It is designed for either horizontal or vertical mounting inside the distribution transformer tank to eliminate the difficulties associated with externally mounted arresters.
The unique construction of the CLU arrester begins with world class glass-collared Metal Oxide Varistor (MOV) disks produced at our dedicated manufacturing facility in Olean, New York. By manufacturing our own disks we maintain strict quality control over the entire production process; from initial raw material inspections to final physical and electrical testing of each disk.
In addition, by controlling the manufacturing process of both disks and arresters, we achieve the optimal combination of quality and performance. Eaton produces its Cooper Power series MOV disks of unsurpassed quality through continuous improvements in disk formulation and manufacturing technology. The end result is a long history of in-service reliability with outstanding durability and protective capability.
Arrester production begins by stacking glasscollared MOV disks in series with aluminum end electrodes. Our proprietary manufacturing process wraps the assembly with a high-strength woven fiberglass-reinforced epoxy composite that seals the MOVs from the transformer fluids. When cured the arrester module withstands the high temperature conditions of being submersed in an oil environment. The addition of an industry unique isolation link to the composite wrapped MOV module creates the only under-oil arrester with a non-fragmenting failure mode. This design feature has excellent over-voltage protection while allowing transformer designers to provide less tank clearance for the arrester because they do not have to allow space for MOV ejection out of the arrester body at the end of the arrester life.












Changes Brought by Integrated Tendering for Distribution Transformer Platforms
On October 10, 2015, the e-commerce platform of the State Grid Corporation of China (SGCC) released ...
UHV power equipment is poised to make major strides in its global expansion.
UHV Equipment Poised for Overseas Deployment: Insights from the Belo Monte Hydropower ProjectIn the ...
Prospect Analysis of China is Power Equipment Industry
Prospect Analysis of China’s Power Equipment Industry Power equipment serves as the foundation for ...
Multiple Nuclear Power Projects to Start Construction This Year
At the annual conference of the China Nuclear Energy Association (CNEA) held on April 22, Zhang Huaz...
