Welcome to the official website of Shanghai Sid Electric Co., Ltd.!
您当前的位置:首页 > Product Center > Eaton(Cooper) > 套管座 200A 28kV Class Bushing Well
Eaton(Cooper)套管座 200A 28kV Class Plastic (HTN) Molded Bushing Well with Fixed or Removable Stud (2638372C01)
Eaton meets the full requirements of the latest revision of the IEEE Std 386™ standard – separable insulated connector systems with its Cooper Power™ series 200 A 15, 25 and 28 kV Class bushing well.
It is designed for the termination of primary winding leads at the front plate of fluid-filled apparatus rated at either 8.3/14.4 kV, 15.2/26.3 kV or 16.2/28.0 kV (for Canadian applications).
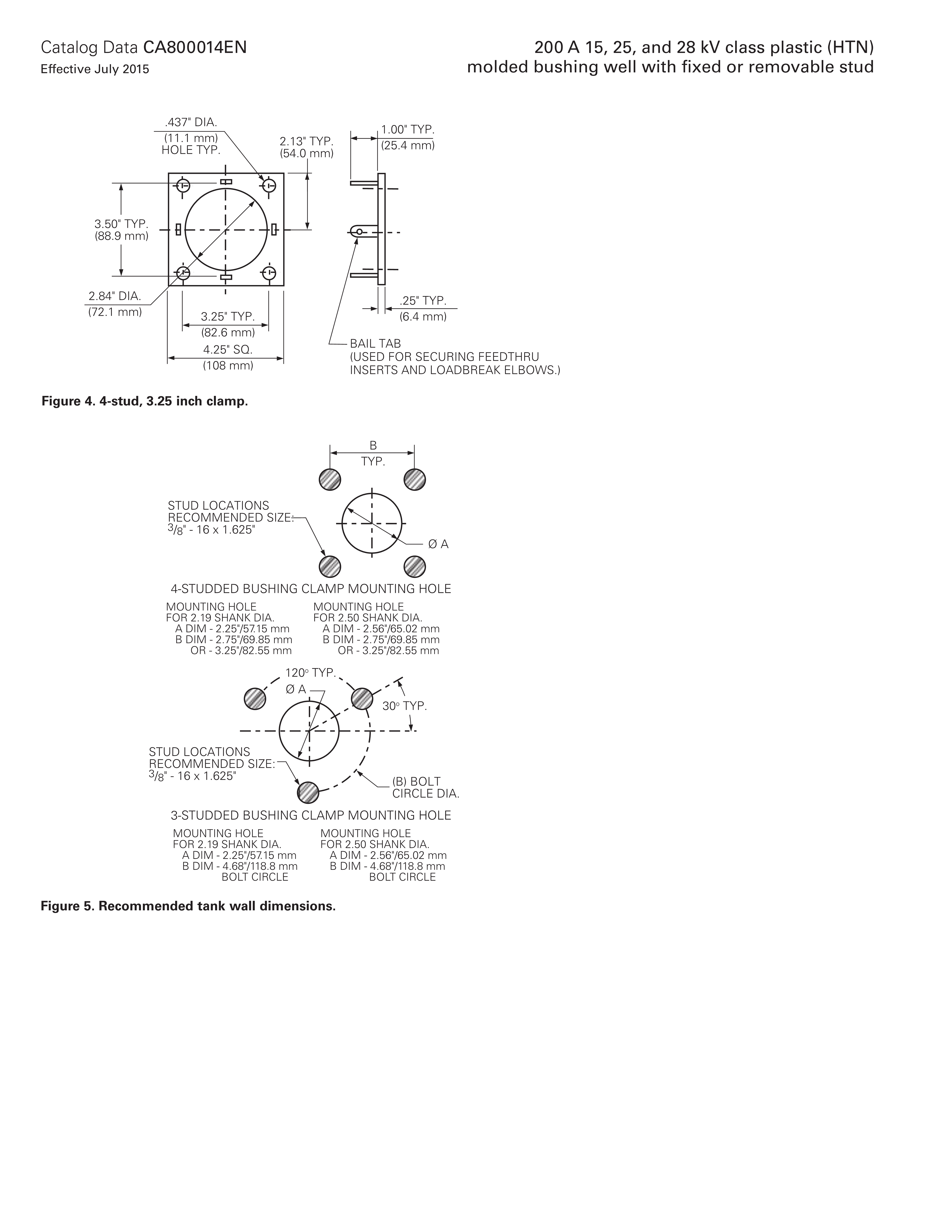
The bushing well is externally clamped for sidewall mounting on single- or three-phase transformers filled with transformer oil, Envirotemp™ FR3™ fluid or an approved equivalent. It is available to fit a 2.56 inch (65 mm) mounting hole and mates with all bushing inserts meeting applicable IEEE® Standards. It’s knurled copper stud with rolled threads provides excellent conductivity.
A removable stud option is available. It offers easy field replacement of the bushing stud with a standard 5/8" socket wrench in the event of damage or breakage in the field. A 7/64" hex has been provided in the portion of the stud which mates into the bushing insert. Should breakage occur here this feature allows for easy stud removal from the insert.
These bushing wells are molded with DuPont Zytel® HTN high temperature nylon. The Zytel HTN high reliability fulfills the required application needs for temperature stability, strength, toughness, low moisture absorption and retention of viable mechanical and electrical properties in humid hightemperature environments. The gasket surfaces provide controlled compression and containment of the highly resilient Buna-N rubber gasket.




Changes Brought by Integrated Tendering for Distribution Transformer Platforms
On October 10, 2015, the e-commerce platform of the State Grid Corporation of China (SGCC) released ...
UHV power equipment is poised to make major strides in its global expansion.
UHV Equipment Poised for Overseas Deployment: Insights from the Belo Monte Hydropower ProjectIn the ...
Prospect Analysis of China is Power Equipment Industry
Prospect Analysis of China’s Power Equipment Industry Power equipment serves as the foundation for ...
Multiple Nuclear Power Projects to Start Construction This Year
At the annual conference of the China Nuclear Energy Association (CNEA) held on April 22, Zhang Huaz...
