Welcome to the official website of Shanghai Sid Electric Co., Ltd.!
您当前的位置:首页 > Product Center > Eaton(Cooper) > 四工位负荷开关 35kV 4-Position Loadbreak Switches
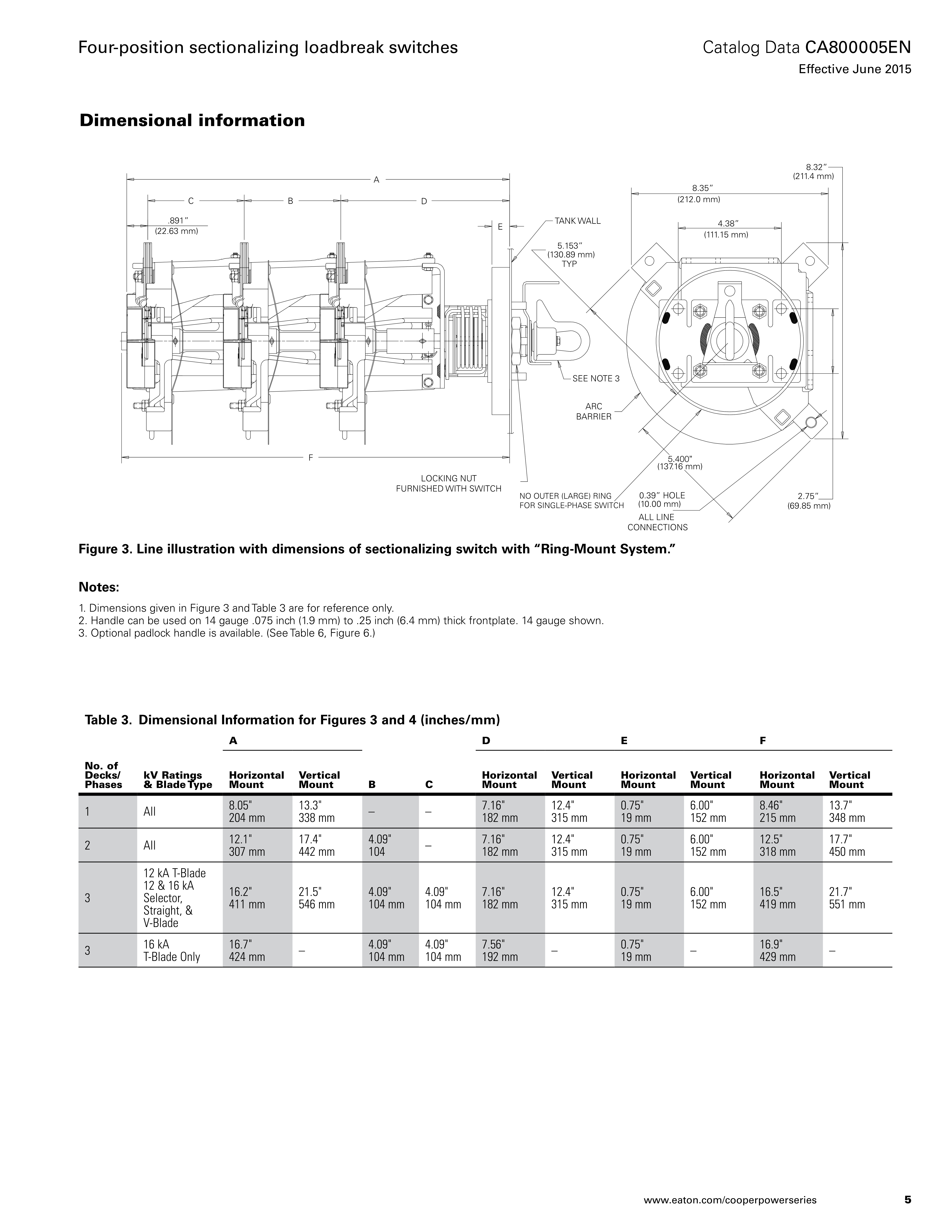
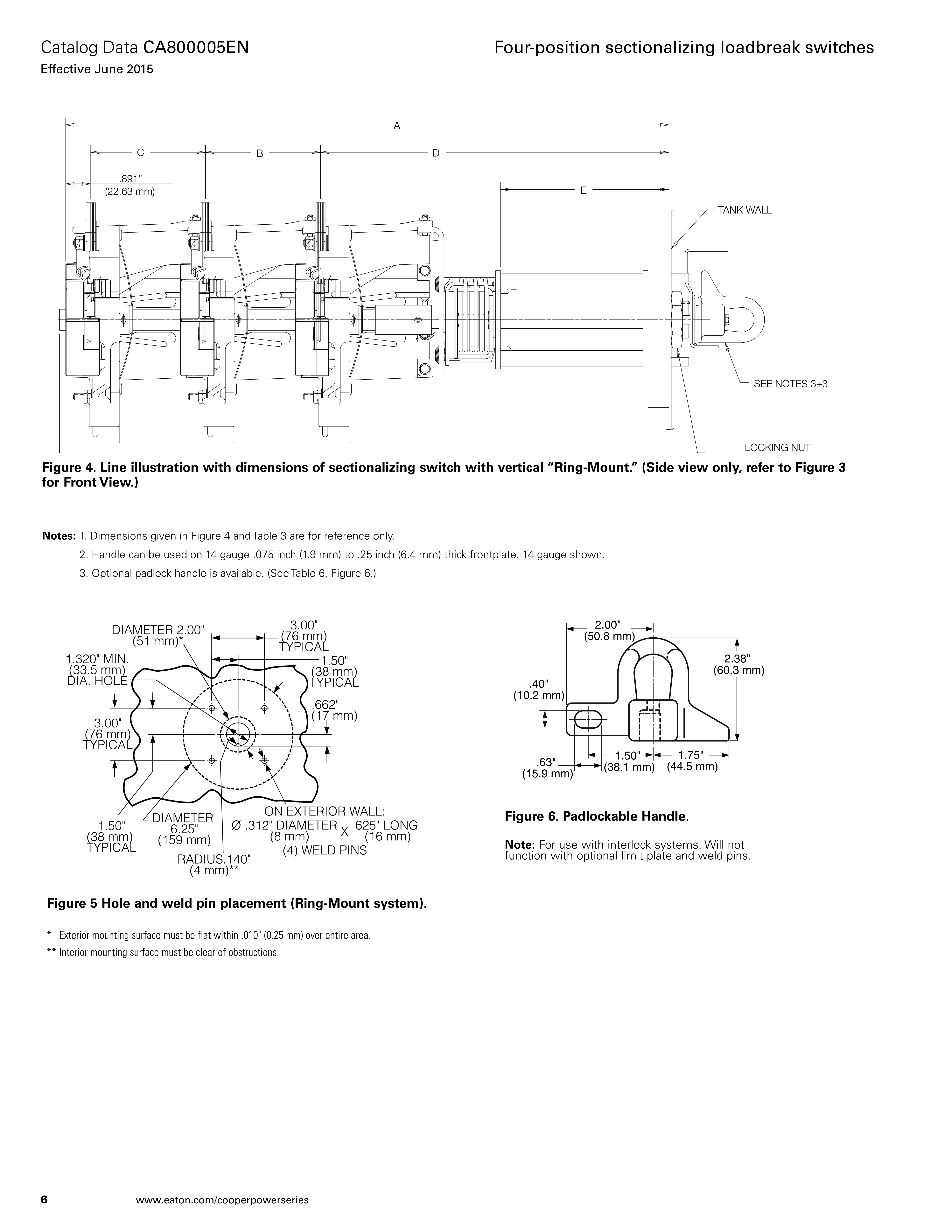
Eaton(Cooper)四工位油浸式负荷开关 35kV Four-Position Sectionalizing Loadbreak Switches (LS4BH3T16B, LS4BH3R16B)
Eaton's Cooper Power™ series four-position sectionalizing loadbreak switch is designed for use in transformer (mineral) oil, Envirotemp™ FR™ fluid, or an approved equivalent fluid-filled padmounted transformers or distribution switchgear. The switches meet the full requirements of the latest revision of both IEEE® and IEC standards.
Sectionalizing switches can be used on single- and three-phase grounded wye or delta systems. They are used in underground residential applications with loop feed, and in three-phase commercial industrial installations where the ability to use an alternative source of power is necessary. They can also be used to switch on and off a primary cable tap on a transformer.
The under-oil switch can be installed near the transformer core/coil assembly, thus minimizing cable capacitance. With cable capacitance minimized and all three phases switched simultaneously, the likelihood of ferroresonance is greatly reduced. All switches are hotstick operable and available in several different blade configurations (Refer to Table 4).
Eaton's Cooper Power series sectionalizing switches rotate 360˚ in either direction for alternate source selection. An externally installed limiting plate prevents rotation to positions other than the one desired. A spring-loaded activating mechanism ensures quick loadbreak action and positive contact engagement through all positions.
The Make-Before-Break (MBB) switches provide uninterrupted power during switching.








Changes Brought by Integrated Tendering for Distribution Transformer Platforms
On October 10, 2015, the e-commerce platform of the State Grid Corporation of China (SGCC) released ...
UHV power equipment is poised to make major strides in its global expansion.
UHV Equipment Poised for Overseas Deployment: Insights from the Belo Monte Hydropower ProjectIn the ...
Prospect Analysis of China is Power Equipment Industry
Prospect Analysis of China’s Power Equipment Industry Power equipment serves as the foundation for ...
Multiple Nuclear Power Projects to Start Construction This Year
At the annual conference of the China Nuclear Energy Association (CNEA) held on April 22, Zhang Huaz...
