Welcome to the official website of Shanghai Sid Electric Co., Ltd.!
您当前的位置:首页 > Product Center > Eaton(Cooper) > 一体式套管 600A 25 kV Deadbreak Apparatus Bushing
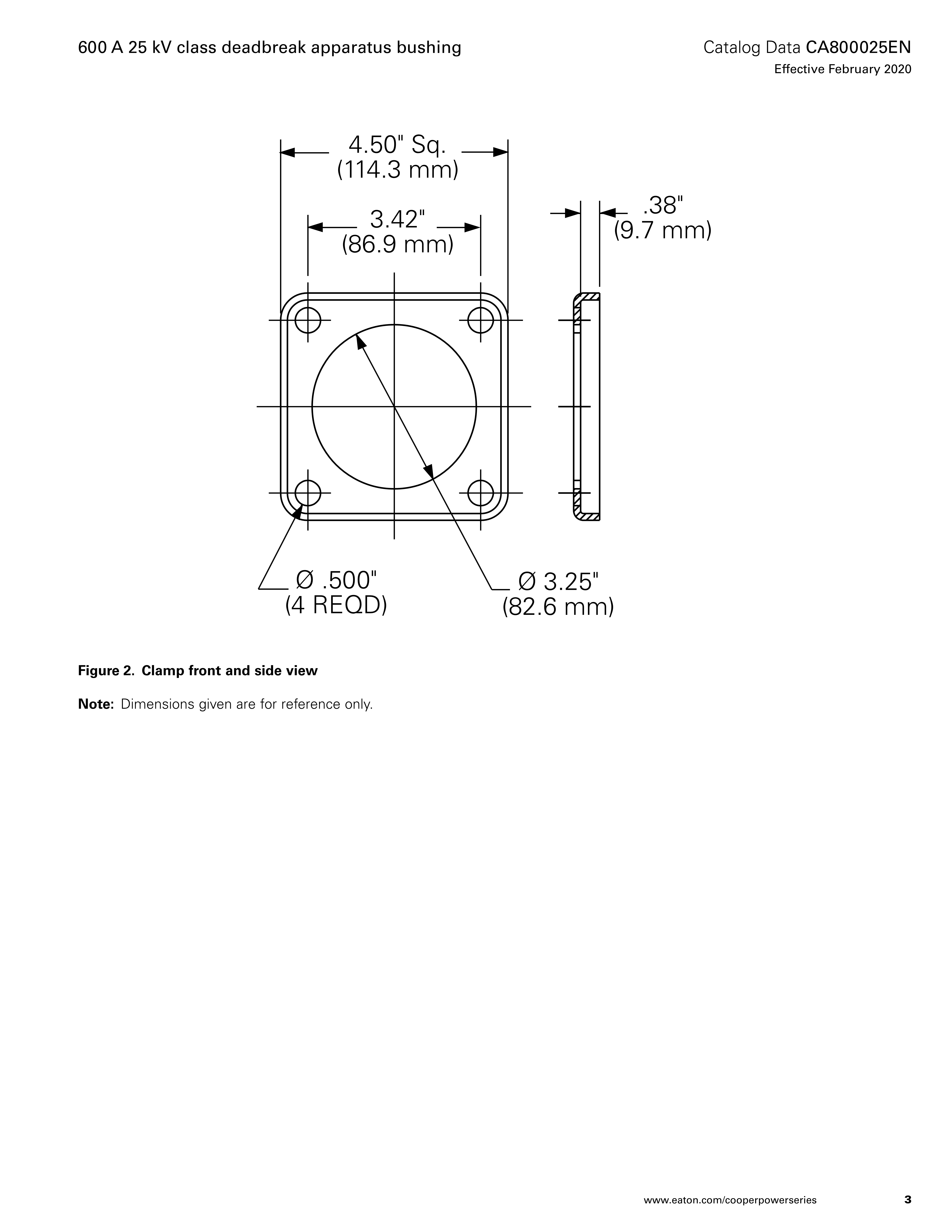
Eaton(Cooper)一体式套管 600A 15&25 kV Class Deadbreak Apparatus Bushing
Eaton’s Cooper Power™ series 600 A 25 kV Class deadbreak apparatus bushing meets the full requirements of IEEE Std 386™-2016 standard separable insulated connector systems. All 600 A separable connectors manufactured according to IEEE Std 386™-2016 standard will operate with this bushing. This bushing covers 15kV Class (8.3kV Line-Ground), 25kV Class (15.2kV LineGround), and 28kV Class (16.2kV Line-Ground), reference "Production tests" and Table 1 "Voltage Ratings and Characteristics".
The epoxy bushings are designed for sidewall mounting in transformers, switches and other apparatus filled with transformer oil or Envirotemp™ FR3™ Fluid or an approved equivalent. Separable connector systems, such as Eaton’s BOL-T™, BT-TAP and T-OP™ II deadbreak connectors as well as other similar systems on the market, can be used with these bushings.
No special tools are required. The bushing is mounted through the apparatus sidewall and clamped externally. Refer to Service Information MN800008EN High-Voltage Primary Bushings Installation Instructions for details.



Changes Brought by Integrated Tendering for Distribution Transformer Platforms
On October 10, 2015, the e-commerce platform of the State Grid Corporation of China (SGCC) released ...
UHV power equipment is poised to make major strides in its global expansion.
UHV Equipment Poised for Overseas Deployment: Insights from the Belo Monte Hydropower ProjectIn the ...
Prospect Analysis of China is Power Equipment Industry
Prospect Analysis of China’s Power Equipment Industry Power equipment serves as the foundation for ...
Multiple Nuclear Power Projects to Start Construction This Year
At the annual conference of the China Nuclear Energy Association (CNEA) held on April 22, Zhang Huaz...
